Котел на древесных отходах 0.2 МВт в Ярославле

  • Модель для работы на сырых и влажных дровах, бревнах, поленьях, горбыле, щепе, коры, стружке, опилках, досках, поддонах, ДСП;
  • Большой объем топочной камеры;
  • Сжигание влажного топлива за счет пояса зажигания;
  • Полное догорание топлива в топке;
  • Высокоэффективная подача воздуха в топку.
Цена с НДС:
488 000 рублей
Цена с НДС на котел на древесных отходах 0.2 МВт с доставкой в
от 488 000 рублей
Условия в
В наличии на складе
Доставка ТК по России и Казахстану
Безналичный расчет
Есть в наличии
Можно купить в лизинг
Котел на отходах древесных
Котел на древесных отходах
Котел для отходов деревообработки
Котел на отходах деревообработки
Котел сжигания отходов
Котел для сжигания отходов
Котел на отходах деревопереработки промышленный
Промышленный котел на отходах деревопереработки
Шибер газохода у котла на древесных отходах
Шибер газохода котла на древесных отходах
Котел для отходов лесопиления
Котел на отходах лесопиления
Топка подовая котла на древесных отходах
Подовая топка котла на древесных отходах
Котел на отходах древесных
Котел для отходов деревообработки
Котел сжигания отходов
Котел на отходах деревопереработки промышленный
Шибер газохода у котла на древесных отходах
Котел для отходов лесопиления
Топка подовая котла на древесных отходах
Видеообзор
Вид топки Ручная, подовая
Максимальная тепловая мощность 0.2 МВт
Топливо Твердое, Дрова, Древесные отходы естественной влажности
Отапливаемая площадь от 1200 до 2200 м²
Технические
характеристики
Описание
товара
Комплект
поставки
Дополнительное
оборудование
Монтаж и схемы
подключения
Сертификаты
и гарантии
Подбор
котла

Технические характеристики котла на древесных отходах 0.2 МВт

Вид Водогрейный
Тип отопительного котла Твердотопливный
Бренд HEATEXPERT
Тип Котел КВ Д ПТ
Вид топки Ручная, подовая
Максимальная тепловая мощность 0.2 МВт
Максимальная тепловая мощность 200 кВт
Максимальная тепловая мощность 0.17 Гкал
Диапазон регулирования мощности 50-100 %
Топливо Твердое, Дрова, Древесные отходы естественной влажности
Низшая теплота сгорания проектного топлива 2440 кКал/кг
Влажность топлива 40 %
КПД котла на ДРОВАХ 80 %
Расход ДРОВ среднечасовой за отопительный сезон 49.7 кг/ч
Расход ДРОВ среднечасовой за отопительный сезон 0.10 м³/ч
Расход ДРОВ при максимальной нагрузке котла 87 кг/ч
Расход ДРОВ при максимальной нагрузке котла 0.18 м³/ч
Расход условного топлива 30 кг/ч
Минимальная температура воды на входе в котел 55 °C
Максимальная температура воды на выходе из котла 115 °C
Давление рабочей среды 0.3-0.6 (3-6) МПа (кгс/cм²)
Номинальный расход теплоносителя 7 м³/ч
Расход теплоносителя через котел min-max 5-9 м³/ч
Гидравлическое сопротивление при номинальном расходе не более 0.07 (0.7) МПа (кгс/cм²)
Аэродинамическое сопротивление 50 (5) Па (мм. вод. ст.)
Разряжение в топочной камере 20-40 (2-4) Па (мм. вод. ст.)
Объем уходящих газов 960 м³/ч
Температура уходящих газов, не более 220 °C
Присоединенная электрическая мощность 3 кВт
Тяга Уравновешенная
Водяной объем котла 250 л
Объем топочной камеры 0.91 м³
Активная площадь решетки горения 0.65 м²
Присоединительные размеры по водяному тракту 50 Ду
Присоединительные размеры газохода уходящих газов, ширина*высота / сечение 175х175 / 0.03 мм/м²
Габаритные размеры котла, длина*ширина*высота 1820х1200х1900 мм
Масса 1050 кг
Конструкция котла водотрубная
Количество контуров Одноконтурный
Размещение Напольный
Тип камеры сгорания Открытый
Управление Электронное
Принцип работы твердотопливного котла Классический
Энергонезависимый Нет
Тип питания Трехфазное
Встроенный циркуляционный насос Нет
Встроенный расширительный бак Нет
Марка HeatExpert
Энергоэффективность Высокая
Отапливаемая площадь от 1200 до 2200 м²
Отапливаемый объем от 3500 до 6500 м³
Чертеж котла на древесных отходах 0.2 МВт
Котел на древесных отходах 0.2 МВт чертеж
Чертеж фундамента для котла на древесине 0.2 МВт
Фундамент для котла на древесине 0.2 МВт чертеж

Котел на древесных отходах 0.2 МВт

Твердотопливный котел на древесных отходах 0.2 МВт применяется для сжигания сырых и влажных дров, бревен, поленьев, горбыля, щепы, коры, стружки, опилок, досок, поддонов, ДСП.

Котел на древесных отходах мощностью 0.2 МВт используется на предприятии деревообработки, мебельного производства, на пилорамах, в цехах лесопиления, лесхозах для отопления и горячего водоснабжения, а также с целью утилизации не пригодных для производства остатков переработки древесины.

Котел утилизатор древесных отходов 0.2 МВт с подовой топкой имеет ряд преимуществ:

  • Большой объем топочной камеры;
  • Сжигание влажного топлива за счет пояса зажигания;
  • Полное догорание топлива в топке;
  • Высокоэффективная подача воздуха в топку.

Котел на отходах деревообработки 0.2 МВт

Производственный водогрейный котел на отходах деревообработки российского производства мощностью 0.2 МВт конструктивно состоит из блока котла и ручной подовой топки.

Конструкция топки состоит непосредственно из подовой топки, системы воздуховодов, поворотной камеры дожига.

Футеровка топки выполняется из огнеупорного кирпича для обеспечения более высокой температуры в топочной камере, что делает процесс горения более эффективным и способствует лучшей теплоотдаче. Сушку влажного топлива обеспечивает пояс зажигания. В поде топки расположена система воздуховодов, выполняющая функцию, как подогрева, так и распределения на первичную и вторичную подачу воздуха. Находящаяся на выходе из топки поворотная камера дожига применяется для догорания легких и мелких частиц топлива, захватываемых потоком уходящих газов. Для очистки конвективных поверхностей нагрева от сажестых отложений в конструкции агрегата предусмотрены люки.

Гидравлическая схема потока воды в агрегате исключает образование застойных зон, перегрев поверхностей нагрева, обеспечивает хороший теплосъем. Теплоизоляция обеспечивает отсутствие присосов холодного воздуха в топку и максимально уменьшает потери тепла через стенки котлоагрегата.

Котел на отходах лесопиления 0.2 МВт имеет объемную топочную камеру, позволяющую единовременно загружать большое количество топлива в топку. Учитывая ваши предпочтения, мы можем произвести котельную установку с увеличенным объемом дверей, более высокой подовой топкой, дополнительными окнами для удобства обслуживания.

Котел для сжигания древесных отходов 0.2 МВт принцип работы

В топке агрегата твердое топливо укладывается на пол топливника – под. Горение топлива происходит от верхних слоев к нижним. Образующиеся в результате сгорания угли разогревают нижние слои топлива и стимулируют процесс горения. При подовом горении все угли остаются в топке и полностью догорают, отдавая тепло.

Первичный воздух проникает в зону горения и постепенно перемещается к задней стенке топки, тем самым образуя минимальное количество золы. Вторичный воздух с большой скоростью дожигает продукты горения.

При верхнем горении потребность в воздухе всегда одинаковая, поэтому может быть отрегулирована единовременно.

Комплект поставки

Твердотопливный котел на отходах деревообработки и лесопиления 0.2 МВт поставляется готовым напольным блоком в обшивке. С котлоагрегатом поставляется паспорт и инструкция по эксплуатации.

В комплект входят запорная арматура, КИП и ДВ: затворы дисковые, запорные вентили, предохранительные клапаны, термометры с оправой, манометры с кранами, дутьевой вентилятор.

Дополнительная комплектация

Автоматика подбирается по техзаданию.

Водогрейный котел на отходах 0.2 МВт работает с дымососом.

Для обеспечения циркуляции воды через котел применяется циркуляционный насос, для подпитки котлоагрегата применяется подпиточный насос.

Дымовая труба - подбирается по техзаданию.

Купить котел на древесных отходах 0.2 МВт

Купить котел для сжигания древесных отходов 0.2 МВт стандартной конструкции или по вашему техническому заданию, вы можете оформив заявку в отделе сбыта по телефону 8-913-258-65-82 либо онлайн, через наш сайт. Наши менеджеры дадут консультацию по подбору вспомогательного оборудования для выбранной вами модели и рассчитают стоимость доставки до вашего региона и населенного пункта.

Комплект поставки котла на древесных отходах 0.2 МВт

Цена водогрейного котла на древесных отходах 0.2 МВт включает в себя запорную арматуру и КИП в пределах котла, вентилятор поддува и предохранительные клапаны. Ниже приведена подробная информация.

Дополнительное оборудование котла на древесных отходах 0.2 МВт

Для эффективной и надежной работы котла на древесных отходах 0.2 МВт вам потребуется дополнительное оборудование - автоматика, дымосос, золоуловитель, насос сетевой и подпиточный, газоходы и переходники для газового тракта, дымовая труба. Мы предлагаем рассмотреть типовые варианты комплектации. В случае если у вас на объекте имеется насосное и тягодутьевое оборудование, мы можем проверить совместимость котла на древесных отходах 0.2 МВт нашего производства и вашего оборудования. Можем изготовить нестандартные узлы для выполнения быстрого монтажа котла - газоходы и узлы обвязки. Типовую схему монтажа котла вы можете посмотреть во вкладке схемы подключения.

Щит водогрейного котла
Щит водогрейного котла
185000 руб. с НДС

Щит водогрейного котла обеспечивает:

  • ручной пуск котла;
  • ручное управление дутьевым вентилятором, дымососом и насосом;
  • автоматическое поддержание температуры путем управления вентилятором, подающим воздух для горения.

Щит водогрейного котла показывает:

  • температуру воды на выходе из котла;
  • температуру воды на входе в котел.

Щит водогрейного котла автоматическую остановку с индикацией причины аварии при:

  • понижении расхода теплоносителя через котел;
  • понижении и повышении давления на выходе из котла;
  • повышении температуры воды на выходе из котла;
  • понижении разряжения в топке котла.

Элементы для управления вентилятором устанавливаются в щите управления котлом.

Элементы управления дымососом и насосом устанавливаются в электросиловом щите котельной.

TD насос
Насос TD32-33G2 (3 кВт)
124000 руб. с НДС
ДН 3.5 дымосос
Дымосос ДН 3,5/1500
55900 руб. с НДС
ЗУ 0.4 золоуловитель
Золоуловитель ЗУ 0,4
43000 руб. с НДС
  • Компактный золоуловитель для твердотопливных котлов
  • Может устанавливаться как сразу за котлом, так и на улице
  • Универсальная конструкция позволяет организовать выход справа или слева, в зависимости от компоновки газоходов
ДН 6.3 дымосос
Дымосос ДН 6,3/1500
101400 руб. с НДС

Монтаж и схемы подключения котла на древесных отходах 0.2 МВт

Водогрейный стальной отопительный котел на древесных отходах 0.2 МВт, предназначен для получения горячей воды номинальной температурой на выходе из котла от 95 до 115 °С рабочим давлением до 0,6 (6,0) МПа (кгс/см), используемой в системах централизованного теплоснабжения на нужды отопления, горячего водоснабжения. Устанавливается в производственных, промышленных и отопительных котельных.

Монтаж и подключение котла на древесных отходах 0.2 МВт

План расстановки котельного оборудования, трубопроводов и дымоходов в дровяной котельной

Для подключения котла на древесных отходах 0.2 МВт в котельном зале необходимо оставить проемы для обслуживания оборудования во время эксплуатации, согласно рекомендациям СНИП II-35-76. На данной схеме представлены размеры таких проёмов. Кроме того составлен примерный план, как можно произвести подключение оборудования, а также указан перечень необходимого вспомогательного оборудования для работы котла. К вспомогательному оборудованию относятся - автоматика котла, циркуляционный насос, подпиточный насос, бак запаса воды, расширительный мембранный бак, дымовая труба и дымосос, золоуловитель (по желанию).

Если подпиточная вода не соответствует требованиям к питательной воде, необходимо продумать систему водоподготовки котловой воды.
Для котельных 1 категории, являющиеся единственным источником тепла системы теплоснабжения и обеспечивающие потребителей первой категории, не имеющих индивидуальных резервных источников тепла, необходимо предусмотреть полное резервирование оборудования - котлов, насосов, ТДМ. Пунктирной линией показано оборудование для резервирования.
Для котельных 2 категории, включающие в себя промышленные и производственные котельные резервирование нужно предусматривать по необходимости.

Аэродинамическая схема котла

Аэродинамическая схема {{parts_subject_r}} на дровах

Воздух в водогрейный котел подается вентилятором поддува через топочный короб под слой древесного  топлива для обеспечения горения. На боковой панели топки котла имеется пробоотборочный штуцер для подключения манометра и тягонапорометра.

Щит управления котла на древесных отходах 0.2 МВт по данным тягонапорометра производит контроль разряжения в топочной камере, блокируя работу вентилятора в случае снижения разряжения в топочной камере, и исключая выбивание дымовых газов из топки в котельный зал. Из топки дымовые газы поступают в первый конвективный пакет, разворачиваются в поворотном коробе и через второй конвективный пакет выходят в газоходы котельной.

Для ручной регулировки тяги и дутья и режимов горения в комплекте котла предусмотрены шиберы. Шибер на воздуховоде подачи в топочный короб регулирует количество воздуха подаваемого вентилятором. Шибер на выходе из котла позволяет произвести отключение котла от общей магистрали газоходов котельной, а также регулировку тяги создаваемой дымососом.

Схема подключения котла с золоуловителем

Схема подключения котла с золоуловителем

Золоуловитель для котла на древесных отходах 0.2 МВт обычно требуется устанавливать в котельных расположенных в жилой зоне. Они позволяют произвести дополнительную очистку дымовых газов перед их выбросом в атмосферу. Золоуловители нашего завода могут устанавливаться как сразу за котлом, так и снаружи котельной. Кроме очистки воздуха золоуловители увеличивают сопротивление в газовом тракте, поэтому при их установке требуется дымосос большей мощности.

Схема подключения котла без золоуловителя

Схема {{parts_subject_r}} без золоуловителя

Если вам не требуется высокая очистка дымовых газов, котел может работать без золоуловителя. Схема подключения при этом следующая - дымовые газы выходят из котла в газоходы котельной, затем в дымосос и далее снова по газоходам в дымовую трубу. В зависимости от компоновки котельной дымосос может устанавливаться как в котельной, так и на улице. Наш завод производит газоходы и переходники к ним. Получив схему вашей котельной мы можем изготовить для вас комплект газоходов, переходников нужных размеров и сечений. На месте такие детали собираются как конструктор. Обращаем ваше внимание, что газоходы требуют изоляции, для защиты персонала от ожогов, так как уходящие газы имеют высокую температуру, а на улице газоходы требуют изоляции для избежания образования конденсата.

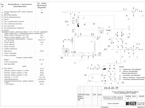
Тепловая схема подключения

Схема тепловая котла

На данной схеме приведен образец тепловой схемы подключения котла на древесных отходах 0.2 МВт в котельном зале. При эксплуатации котельного оборудования очень важно грамотно осуществить подключение, установить контрольно-измерительные приборы для контроля параметров работы котельной и запорную арматуру для оперативного переключения потока теплоносителя при плановой или аварийной остановке оборудования. Данную схему можно использовать, как пример для разработки своего объекта или заказать у нас разработку индивидуальной схемы для вашей котельной.

Сертификаты и гарантии котла на древесных отходах 0.2 МВт

Водогрейный котел на древесных отходах 0.2 МВт имеет гарантийный срок 24 месяца. Срок работы при соблюдении правил монтажа и эксплуатации оборудования 10 лет.

Водогрейные котлы сертификат
Сертификат на водогрейные котлы
Сертификат на водогрейные котлы на газе и жидком топливе
Сертификат на водогрейные котлы на газе и жидком топливе

Подберите мощность котла для вашего объекта

Тип здания
Регион
Населенный пункт
Наружный объем здания
3)
Отапливаемый подвал
Объем подвала
3)

Отзывы о продукции

Другая похожая продукция

Котел 0.2 МВт на дровах
Котел на дровах 0.2
Максимальная тепловая мощность, МВт 0.2
Топливо Твердое, Дрова
Вид топки Колосники, ОУР, Ручная
Отапливаемая площадь, м² от 1200 до 2200
428 000 ₽
Котел 0.2 МВт дрова уголь
Котел 0.2 МВт уголь дрова
Максимальная тепловая мощность, МВт 0.2
Топливо Твердое, Уголь, Дрова
Вид топки Колосники, ОУР, Ручная
Отапливаемая площадь, м² от 1200 до 2200
380 000 ₽
Котел на опилках 0.2 МВт автоматический
Котел 0.2 МВт на опилках
Максимальная тепловая мощность, МВт 0.2
Топливо Опилки, Твердое
Вид топки Вихревая, Автоматическая
Отапливаемая площадь, м² от 1200 до 2200
1 364 000 ₽
Котел на отходах древесных
Котел на древесных отходах 0.15 МВт
Максимальная тепловая мощность, МВт 0.15
Топливо Твердое, Дрова, Древесные отходы естественной влажности
Вид топки Ручная, подовая
Отапливаемая площадь, м² от 860 до 1600
480 000 ₽
Котел на отходах древесных
Котел на древесных отходах 0.3 МВт
Максимальная тепловая мощность, МВт 0.3
Топливо Твердое, Дрова, Древесные отходы естественной влажности
Вид топки Ручная, подовая
Отапливаемая площадь, м² от 2300 до 3300
518 000 ₽