Котел без дымососа 350 КВт в Ярославле

Цена с НДС:
540 000 рублей
Цена с НДС на котел без дымососа 350 КВт с доставкой в
от 540 000 рублей
Условия в
В наличии на складе
Доставка ТК по России и Казахстану
Безналичный расчет
Есть в наличии
Можно купить в лизинг
Котел 0.35 МВт без дымососа
Котел без дымососа 0.35 МВт
Котел 0.35 МВт без дымососа водогрейный
Водогрейный котел без дымососа 0.35 МВт
Топка колосниковая котла 0.35 МВт без дымососа
Колосниковая топка котла 0.35 МВт без дымососа
Котел 0.35 МВт без дымососа изготовление
Изготовление котла без дымососа 0.35 МВт
Котел 0.35 МВт без дымососа производство
Производство котла без дымососа 0.35 МВт
Котел 0.35 МВт без дымососа
Котел 0.35 МВт без дымососа водогрейный
Топка колосниковая котла 0.35 МВт без дымососа
Котел 0.35 МВт без дымососа изготовление
Котел 0.35 МВт без дымососа производство
Видеообзор
Вид топки Ручная, Колосники
Максимальная тепловая мощность 0.35 МВт
Топливо Твердое, Уголь
Отапливаемая площадь от 2600 до 3900 м²
Технические
характеристики
Описание
товара
Комплект
поставки
Дополнительное
оборудование
Монтаж и схемы
подключения
Сертификаты
и гарантии
Подбор
котла

Технические характеристики котла без дымососа 350 кВт

Вид Водогрейный
Тип отопительного котла Твердотопливный
Бренд HEATEXPERT
Тип Котел КВр
Вид топки Ручная, Колосники
Максимальная тепловая мощность 0.35 МВт
Максимальная тепловая мощность 350 кВт
Максимальная тепловая мощность 0.3 Гкал
Диапазон регулирования мощности 50-100 %
Топливо Твердое, Уголь
Низшая теплота сгорания проектного топлива 5230 кКал/кг
КПД котла на УГЛЕ 80 %
Расход УГЛЯ среднечасовой за отопительный сезон 41.5 кг/ч
Расход УГЛЯ при максимальной нагрузке котла 73 кг/ч
Расход условного топлива 54 кг/ч
Минимальная температура воды на входе в котел 55 °C
Максимальная температура воды на выходе из котла 115 °C
Давление рабочей среды 0.3-0.6 (3-6) МПа (кгс/cм²)
Номинальный расход теплоносителя 12 м³/ч
Расход теплоносителя через котел min-max 9-15 м³/ч
Гидравлическое сопротивление при номинальном расходе не более 0.07 (0.7) МПа (кгс/cм²)
Аэродинамическое сопротивление 25 (2.5) Па (мм. вод. ст.)
Разряжение в топочной камере 20-40 (2-4) Па (мм. вод. ст.)
Объем уходящих газов 1500 м³/ч
Температура уходящих газов, не более 220 °C
Тяга Естественная
Водяной объем котла 250 л
Объем топочной камеры 1.25 м³
Активная площадь решетки горения 0.92 м²
Присоединительные размеры по водяному тракту 80 Ду
Присоединительные размеры газохода уходящих газов, ширина*высота / сечение 390х200 / 0.08 мм/м²
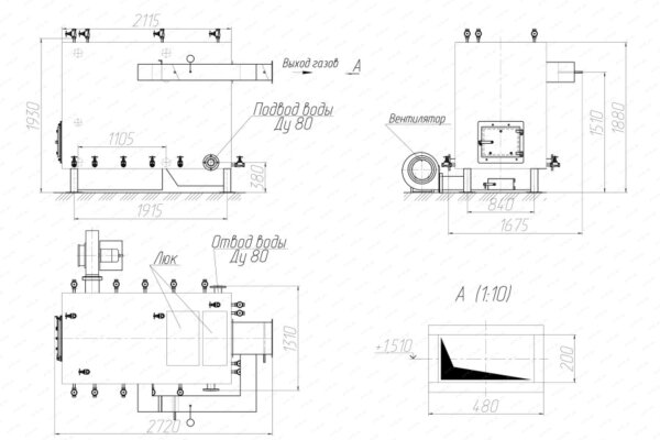
Габаритные размеры котла, длина*ширина*высота 2720х1675х1930 мм
Масса 1800 кг
Конструкция котла водотрубная
Количество контуров Одноконтурный
Размещение Напольный
Тип камеры сгорания Открытый
Управление Электронное
Принцип работы твердотопливного котла Классический
Энергонезависимый Нет
Тип питания Трехфазное
Встроенный циркуляционный насос Нет
Встроенный расширительный бак Нет
Марка HeatExpert
Отапливаемая площадь от 2600 до 3900 м²
Отапливаемый объем от 8000 до 11500 м³
Энергоэффективность Высокая
Чертеж котла без дымососа 0.35 МВт
Котел без дымососа 0.35 МВт чертеж

Работа котла 350 кВт без дымососа имеет неоспоримое преимущество - это исключение затрат на монтаж дымососа и затраты на электроэнергию в течение отопительного сезона. Для того чтобы обеспечить одновременно и высокий КПД котла и возможность работы котел без дымососа, имеет уникальную, запатентованную конструкцию, обеспечивающую:

  • максимально высокий КПД котельной установки за счет развитой поверхности нагрева, до 85 %;
  • легкий выход на режим в переходный период при плюсовой температуре окружающего воздуха;
  • исключается конденсат в хвостовых поверхностях нагрева котла;
  • достаточная высота дымовой трубы всего 18 м;
  • максимальную надежность котла.

Конструкция твердотопливного котла КВ 350 КВт, работающего без дымососа

Водогрейные твердотопливные котлы КВ самотяге изготавливают из стальных труб. Котлы КВ имеют топочную часть, где происходит процесс горения топлива и конвективную часть, где происходит передача тепловой энергии нагреваемой воде и снижение температуры уходящих газов до 180-200 °С. Горение твердого топлива происходит на слоевой топке. Снаружи трубная система имеет обшивку из стальных листов и теплоизоляции, установленных на каркасе. На крыше котла имеются люки для очистки конвективных поверхностей нагрева. Внизу котла располагаются опоры, зольный бункер и поворотный короб. Сбоку в верху топочной части котла устанавливается обводной газоход с шиберами, который присоединяется в газоход за котлом.

Сложность эксплуатации котла, работающего на самотяге, заключается в моменте его пуска, потому что тяга тем лучше устанавливается, чем больше разница температур наружного воздуха и горячих дымовых газов. При пуске котла в начале отопительного сезона, температура наружного воздуха еще плюсовая, горячие газы пускаются, через обводной газоход, установленный в котлах КВ, не имея на своем пути никакого сопротивления газы, свободно выходят из топки котла и двигаются по обводному газоходу, разогревают дымовую трубу. После установления стабильного режима горения слоя топлива, обводной газоход перекрывается, и газы двигаются уже через конвективные пакеты. Устанавливается стабильная тяга в газоходах и дымовой трубе, водогрейный котел без дымососа выходит на мощность, КПД максимально. Нет затрат на электроэнергию, нет потерь с уходящими газами, конструкция котла оптимальна.

Котлы КВ на самотяге имеют максимальную монтажную готовность, не требуют изготовления фундаментов, опор и зольников, котел устанавливается на ровную поверхность и закрепляется анкерными болтами.

Гидравлическая система в котле без дымососа также обеспечивает максимальную надежность и эффективность работы котла. Котел работает по противоточной схеме, когда конвективная поверхность выступает в роли экономайзера, тем самым, обеспечивая повышение КПД котла еще на 5%. Скоростная вихревая гидравлическая схема движения теплоносителя, обеспечивает стабильную работу котла без водоподготовки, турбулизация потока теплоносителя в котле обеспечивает отсутствие застойных зон и безнакипность его работы.

Топка в котле без дымососа обеспечивает максимально возможную эффективность сжигания твердого топлива. Топка выполняется из водоохлаждаемых труб с вваренной охлаждаемой стальной полосой с многочисленными маленькими отверстиями для подачи воздуха, таким образом зеркало горения имеет большую и равномерно распределенную область подачи воздуха в слой топлива. Оптимальный режим горения, позволяет не только более эффективно сжигать подаваемое на решетку твердое топливо, но и устраняет зависимость эффективности сгорания топлива от его вида, и свойств по спекаемости, зольности и фракционности. Опытным путем было доказано, что одно только применение равномерного распределённой схемы подачи воздуха в слой позволяет снизить механический и химический недожог, и тем самым повысить КПД, связанное с активным горением и провалом на 3%. Простота и удобство в обслуживании, особенность устройства поверхности топки позволяют оперативно снимать слой топлива и шлака из топки в случае аварийной ситуации в котельной.

Технические характеристики котла

Наименование Котел без дымососа КВ-350
Мощность водогрейного котла 0,35 МВт (0,3 Гкал/ч)
Площадь отапливаемого помещения при высоте потолка 3 м, м² 3000
Температура воды, °C 70-95 (95-115)
Давление рабочей среды, МПа (кгс/cм²) 2,5-6
Топливо Каменный уголь Бурый уголь
Низшая теплота сгорания, ккал/ч 5230 2720
КПД котла, не менее, % 80 74
Расход топлива, кг/ч 72 155
Расход условного топлива, кг/ч 54
Температура уходящих газов, °C Не более 200
Расход рабочей среды, м³/ч 12
Гидравлическое сопротивление котла при Δt 25°C, МПа (кгс/cм²) не более 0,05 (0,5)
Аэродинамическое сопротивление, Па (мм. вод. ст.) Не более 25
Габаритные размеры котельного блока, не более
Длина, мм 1950
Ширина, мм 1300
Высота, мм 1850

Обозначение котла в соответствии с ГОСТ 30735-2001 - Котел КВр-0,35 К, Котел КВр-0,35 КБ, КВ-0,35 КБ

Комплект поставки котла

Котел КВ 350 КВт, ручная топка, обводной газоход, запорные вентили, предохранительные клапаны, термометры, манометры, трехходовые краны, паспорт и инструкция по эксплуатации водогрейного котла КВ 350.

Для того, что бы купить котел без дымососа, мощностью 350 КВт вы можете сделать заявку в отдел сбыта по телефону 8-800-700-06-43, либо оформить заявку онлайн.

Комплект поставки котла без дымососа 350 кВт

Цена водогрейного котла без дымососа 350 кВт включает в себя запорную арматуру и КИП в пределах котла, вентилятор поддува и предохранительные клапаны. Ниже приведена подробная информация.

Дополнительное оборудование котла без дымососа 350 кВт

Для эффективной и надежной работы котла без дымососа 350 кВт вам потребуется дополнительное оборудование - автоматика, дымосос, золоуловитель, насос сетевой и подпиточный, газоходы и переходники для газового тракта, дымовая труба. Мы предлагаем рассмотреть типовые варианты комплектации. В случае если у вас на объекте имеется насосное и тягодутьевое оборудование, мы можем проверить совместимость котла без дымососа 350 кВт нашего производства и вашего оборудования. Можем изготовить нестандартные узлы для выполнения быстрого монтажа котла - газоходы и узлы обвязки. Типовую схему монтажа котла вы можете посмотреть во вкладке схемы подключения.

Щит водогрейного котла
Щит водогрейного котла
185000 руб. с НДС

Щит водогрейного котла обеспечивает:

  • ручной пуск котла;
  • ручное управление дутьевым вентилятором, дымососом и насосом;
  • автоматическое поддержание температуры путем управления вентилятором, подающим воздух для горения.

Щит водогрейного котла показывает:

  • температуру воды на выходе из котла;
  • температуру воды на входе в котел.

Щит водогрейного котла автоматическую остановку с индикацией причины аварии при:

  • понижении расхода теплоносителя через котел;
  • понижении и повышении давления на выходе из котла;
  • повышении температуры воды на выходе из котла;
  • понижении разряжения в топке котла.

Элементы для управления вентилятором устанавливаются в щите управления котлом.

Элементы управления дымососом и насосом устанавливаются в электросиловом щите котельной.

TD насос
Насос TD32-33G2 (3 кВт)
124000 руб. с НДС

Монтаж и схемы подключения котла без дымососа 350 кВт

Водогрейный стальной отопительный котел без дымососа 350 КВт, предназначен для получения горячей воды номинальной температурой на выходе из котла от 95 до 115 °С рабочим давлением до 0,6 (6,0) МПа (кгс/см), используемой в системах централизованного теплоснабжения на нужды отопления, горячего водоснабжения. Устанавливается в производственных, промышленных и отопительных котельных.

Монтаж и подключение котла без дымососа 350 кВт

Котел без дымососа схема подключения

Схема подключения котла без дымососа

Сертификаты и гарантии котла без дымососа 350 кВт

Водогрейный котел без дымососа 350 КВт имеет гарантийный срок 24 месяца. Срок работы при соблюдении правил монтажа и эксплуатации оборудования 10 лет.

Водогрейные котлы сертификат
Сертификат на водогрейные котлы
Сертификат на водогрейные котлы на газе и жидком топливе
Сертификат на водогрейные котлы на газе и жидком топливе

Подберите мощность котла для вашего объекта

Тип здания
Регион
Населенный пункт
Наружный объем здания
3)
Отапливаемый подвал
Объем подвала
3)

Отзывы о продукции

Другая похожая продукция

КВр котел 0.35 МВт
Котлы КВр 350 КВт угольный
Максимальная тепловая мощность, кВт 350
Топливо Твердое, Уголь
Вид топки Ручная, Колосники
Отапливаемая площадь, м² от 2600 до 3900
478 000 ₽
Котел 0.35 МВт дрова уголь
Котел 350 кВт уголь дрова
Максимальная тепловая мощность, кВт 350
Топливо Твердое, Уголь, Дрова
Вид топки Колосники, ОУР
Отапливаемая площадь, м² от 2600 до 3900
504 000 ₽
Котел 0.3 МВт без дымососа
Котел без дымососа 300 КВт
Максимальная тепловая мощность, кВт 300
Топливо Твердое, Уголь
Вид топки Ручная, Колосники
Отапливаемая площадь, м² от 2300 до 3300
438 000 ₽
Котел на естественной тяге 0.4 МВт
Котел без дымососа 400 КВт
Максимальная тепловая мощность, кВт 400
Топливо Твердое, Уголь
Вид топки Ручная, Колосники
Отапливаемая площадь, м² от 3000 до 4300
553 000 ₽